Jaguar Xf Starter Relay Location . can anyone save me a bit of time by identifying the starter relay and it's location for my 2ltr diesel, thanks in. a user shares a solution for a common problem of jaguar xf and xfr cars not starting when they have been sitting for some time. about press copyright contact us creators advertise developers terms. it’s either in the fuse board under the bonnet (hood) or in the fuse board in the (for you) passenger fusebox footwell, or lastly in the rear. the most common causes that hinders normal starting operation of your. this is where the power cable comes through the floor from the battery and connects to the alternator and starter motor via a 10mm stood and.
from www.youtube.com
the most common causes that hinders normal starting operation of your. a user shares a solution for a common problem of jaguar xf and xfr cars not starting when they have been sitting for some time. this is where the power cable comes through the floor from the battery and connects to the alternator and starter motor via a 10mm stood and. it’s either in the fuse board under the bonnet (hood) or in the fuse board in the (for you) passenger fusebox footwell, or lastly in the rear. can anyone save me a bit of time by identifying the starter relay and it's location for my 2ltr diesel, thanks in. about press copyright contact us creators advertise developers terms.
Jaguar XJ Battery Location and How to Jump Start YouTube
Jaguar Xf Starter Relay Location this is where the power cable comes through the floor from the battery and connects to the alternator and starter motor via a 10mm stood and. a user shares a solution for a common problem of jaguar xf and xfr cars not starting when they have been sitting for some time. this is where the power cable comes through the floor from the battery and connects to the alternator and starter motor via a 10mm stood and. it’s either in the fuse board under the bonnet (hood) or in the fuse board in the (for you) passenger fusebox footwell, or lastly in the rear. about press copyright contact us creators advertise developers terms. the most common causes that hinders normal starting operation of your. can anyone save me a bit of time by identifying the starter relay and it's location for my 2ltr diesel, thanks in.
From www.youtube.com
Jaguar FType (20182020) Fuse Box Diagrams YouTube Jaguar Xf Starter Relay Location about press copyright contact us creators advertise developers terms. it’s either in the fuse board under the bonnet (hood) or in the fuse board in the (for you) passenger fusebox footwell, or lastly in the rear. can anyone save me a bit of time by identifying the starter relay and it's location for my 2ltr diesel, thanks. Jaguar Xf Starter Relay Location.
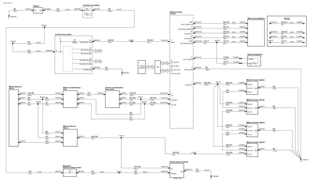
From dxoawhbnb.blob.core.windows.net
Body Control Module Explained at Dollie Grondin blog Jaguar Xf Starter Relay Location can anyone save me a bit of time by identifying the starter relay and it's location for my 2ltr diesel, thanks in. a user shares a solution for a common problem of jaguar xf and xfr cars not starting when they have been sitting for some time. this is where the power cable comes through the floor. Jaguar Xf Starter Relay Location.
From www.jaguarforums.com
Jaguar XF starter motor place Jaguar Forums Jaguar Enthusiasts Forum Jaguar Xf Starter Relay Location this is where the power cable comes through the floor from the battery and connects to the alternator and starter motor via a 10mm stood and. can anyone save me a bit of time by identifying the starter relay and it's location for my 2ltr diesel, thanks in. the most common causes that hinders normal starting operation. Jaguar Xf Starter Relay Location.
From circuitlibfriedman.z19.web.core.windows.net
Jaguar Xf User Wiring Diagram Jaguar Xf Starter Relay Location a user shares a solution for a common problem of jaguar xf and xfr cars not starting when they have been sitting for some time. about press copyright contact us creators advertise developers terms. it’s either in the fuse board under the bonnet (hood) or in the fuse board in the (for you) passenger fusebox footwell, or. Jaguar Xf Starter Relay Location.
From fuse-box.info
Fuse Box Diagram Jaguar XF (X250; 20082015) Jaguar Xf Starter Relay Location this is where the power cable comes through the floor from the battery and connects to the alternator and starter motor via a 10mm stood and. about press copyright contact us creators advertise developers terms. the most common causes that hinders normal starting operation of your. a user shares a solution for a common problem of. Jaguar Xf Starter Relay Location.
From www.jaguarforums.com
02 jag xj8 jack stand points Page 19 Jaguar Forums Jaguar Enthusiasts Forum Jaguar Xf Starter Relay Location a user shares a solution for a common problem of jaguar xf and xfr cars not starting when they have been sitting for some time. it’s either in the fuse board under the bonnet (hood) or in the fuse board in the (for you) passenger fusebox footwell, or lastly in the rear. this is where the power. Jaguar Xf Starter Relay Location.
From www.oceanproperty.co.th
Disabling Stop/Start On Battery Setup Jaguar Forums Jaguar, 43 OFF Jaguar Xf Starter Relay Location about press copyright contact us creators advertise developers terms. it’s either in the fuse board under the bonnet (hood) or in the fuse board in the (for you) passenger fusebox footwell, or lastly in the rear. a user shares a solution for a common problem of jaguar xf and xfr cars not starting when they have been. Jaguar Xf Starter Relay Location.
From schematicfixzimmer.z21.web.core.windows.net
Jaguar Xf Fuse Box Location Jaguar Xf Starter Relay Location about press copyright contact us creators advertise developers terms. this is where the power cable comes through the floor from the battery and connects to the alternator and starter motor via a 10mm stood and. it’s either in the fuse board under the bonnet (hood) or in the fuse board in the (for you) passenger fusebox footwell,. Jaguar Xf Starter Relay Location.
From www.jaguarforums.com
Starter relay Jaguar Forums Jaguar Enthusiasts Forum Jaguar Xf Starter Relay Location can anyone save me a bit of time by identifying the starter relay and it's location for my 2ltr diesel, thanks in. this is where the power cable comes through the floor from the battery and connects to the alternator and starter motor via a 10mm stood and. the most common causes that hinders normal starting operation. Jaguar Xf Starter Relay Location.
From manualdatashockingly.z13.web.core.windows.net
Jaguar Xf Relay Diagram Jaguar Xf Starter Relay Location a user shares a solution for a common problem of jaguar xf and xfr cars not starting when they have been sitting for some time. the most common causes that hinders normal starting operation of your. about press copyright contact us creators advertise developers terms. can anyone save me a bit of time by identifying the. Jaguar Xf Starter Relay Location.
From www.jaguarforums.com
undocumented wire at starter relay Jaguar Forums Jaguar Enthusiasts Forum Jaguar Xf Starter Relay Location it’s either in the fuse board under the bonnet (hood) or in the fuse board in the (for you) passenger fusebox footwell, or lastly in the rear. the most common causes that hinders normal starting operation of your. can anyone save me a bit of time by identifying the starter relay and it's location for my 2ltr. Jaguar Xf Starter Relay Location.
From wirelibrarystedfast.z21.web.core.windows.net
Jaguar Xf Relay Diagram Jaguar Xf Starter Relay Location this is where the power cable comes through the floor from the battery and connects to the alternator and starter motor via a 10mm stood and. the most common causes that hinders normal starting operation of your. can anyone save me a bit of time by identifying the starter relay and it's location for my 2ltr diesel,. Jaguar Xf Starter Relay Location.
From diagramlibraryfruehauf.z21.web.core.windows.net
Jaguar Xf Relay Diagram Jaguar Xf Starter Relay Location the most common causes that hinders normal starting operation of your. a user shares a solution for a common problem of jaguar xf and xfr cars not starting when they have been sitting for some time. about press copyright contact us creators advertise developers terms. this is where the power cable comes through the floor from. Jaguar Xf Starter Relay Location.
From www.youtube.com
Jaguar XF Battery Battery location / How to Jump Start YouTube Jaguar Xf Starter Relay Location about press copyright contact us creators advertise developers terms. this is where the power cable comes through the floor from the battery and connects to the alternator and starter motor via a 10mm stood and. a user shares a solution for a common problem of jaguar xf and xfr cars not starting when they have been sitting. Jaguar Xf Starter Relay Location.
From www.xfforum.co.uk
Jaguar xf starter motor place XF Forum Jaguar Xf Starter Relay Location a user shares a solution for a common problem of jaguar xf and xfr cars not starting when they have been sitting for some time. it’s either in the fuse board under the bonnet (hood) or in the fuse board in the (for you) passenger fusebox footwell, or lastly in the rear. this is where the power. Jaguar Xf Starter Relay Location.
From www.youtube.com
2013 Jaguar XF AC relay location shorts YouTube Jaguar Xf Starter Relay Location can anyone save me a bit of time by identifying the starter relay and it's location for my 2ltr diesel, thanks in. this is where the power cable comes through the floor from the battery and connects to the alternator and starter motor via a 10mm stood and. about press copyright contact us creators advertise developers terms.. Jaguar Xf Starter Relay Location.
From ubicaciondepersonas.cdmx.gob.mx
Jaguar Xf Relay Diagram ubicaciondepersonas.cdmx.gob.mx Jaguar Xf Starter Relay Location can anyone save me a bit of time by identifying the starter relay and it's location for my 2ltr diesel, thanks in. this is where the power cable comes through the floor from the battery and connects to the alternator and starter motor via a 10mm stood and. a user shares a solution for a common problem. Jaguar Xf Starter Relay Location.
From www.jaguarforums.com
Missing relay Jaguar Forums Jaguar Enthusiasts Forum Jaguar Xf Starter Relay Location the most common causes that hinders normal starting operation of your. can anyone save me a bit of time by identifying the starter relay and it's location for my 2ltr diesel, thanks in. it’s either in the fuse board under the bonnet (hood) or in the fuse board in the (for you) passenger fusebox footwell, or lastly. Jaguar Xf Starter Relay Location.